您好,欢迎光临湖南瑞之泰电气有限公司官方网站!
产品列表
招商加盟 手机浏览

联系我们

服务热线:

0731-82204396

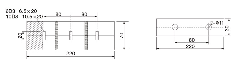
6D3 8D3 10D3系列母线夹

当前位置:首页>> 产品中心>> 高低压成套配件>> 各类母线框(夹)系列