您好,欢迎光临湖南瑞之泰电气有限公司官方网站!
帮助中心
加入收藏
服务热线:0731-82204396
返回首页
关于我们
产品中心
资质认证
新闻资讯
帮助中心
联系我们
招商加盟
产品列表
高低压成套配件
接线端子、绝缘配线器材
高低压成套配件
绞链系列
端子
风机
冷压端子、金具
扎带、工具系列
锁具系列
接线端子系列
端子、接线盒、穿刺线夹
返回首页
关于我们
产品中心
资质认证
新闻资讯
帮助中心
联系我们
招商加盟
手机浏览
产品中心
高低压成套配件
各类母线框(夹)系列
绝缘子系列
抽屉拉手、侧控板系列
活门、封闭罩、通风橱、眉头系列
母线槽配件系列
标志框、观察框系列
接线盒、分线盒、电表架系列
连接片、照明灯、电缆夹等高压柜配件系列
一、二次接插件系列
各类母线框(夹)系列
接线端子、绝缘配线器材
接线端子系列
绝缘配线器材系列
高低压成套配件
绞链系列
端子
风机
冷压端子、金具
冷压端头
金具
扎带、工具系列
尼龙扎带
尼龙扎带超值包装
尼龙扎带包装(筒装)
钢钉线卡
钢钉线卡超值包装
号码管&套管
压线帽
固定座&固定扣
工具类
锁具系列
执手锁
转舌锁
平面锁
连杆锁
面板锁
搭扣锁
拉手
铰链
锁附件
门销系列
配电柜附件
限位系列
电子锁系列
接线端子系列
导轨式工业配电接线端子
PCB接线端子
TB、TC、TBC接线端子
端子、接线盒、穿刺线夹
开关端子
零线端子
接线端子
接线盒
穿刺线夹
电力金具系列
电工工具
输变电金具
接线盒系列
按钮
LA110-A1
LA110-A2
LA110-B2
LA110-B4
LA110-B5
母线框系列
热缩管系列
打码机系列
联系我们
服务热线:
0731-82204396
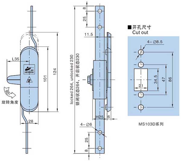
MS103D-1-2
当前位置:
首页
>>
产品中心
>>
锁具系列>>
连杆锁
MS103D-1-2
上一个:MS103C-1
下一个:MS103D-2-1
返回
产品详情
特征
● 材质:锌合金锁体、镀锌锁片、镀镍传动条
● 表面处理:镀沙铬
● 适用门板厚度:1~3mm
● 备注:锁片开孔□7×7
●
材质
● 锌合金
表面处理
● 电镀
用途