您好,欢迎光临湖南瑞之泰电气有限公司官方网站!
产品列表
招商加盟 手机浏览

联系我们

服务热线:

0731-82204396

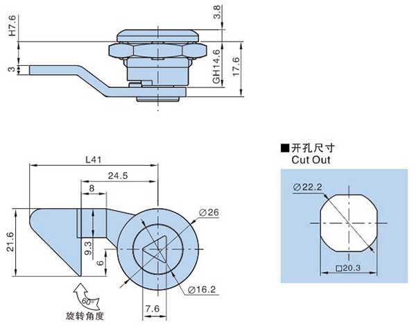
MS726

当前位置:首页>> 产品中心>> 锁具系列>> 转舌锁

  • 产品详情
特征
● 材质:锌合金锁体,螺母,钥匙,不锈锁片
● 表面处理:镀亮铬
● 适用门板厚度:1~5mm
● 备注:自动复位式门锁,锁片开孔口8×8
材质
● 锌合金
表面处理
● 电镀
用途