您好,欢迎光临湖南瑞之泰电气有限公司官方网站!
产品列表
招商加盟 手机浏览

联系我们

服务热线:

0731-82204396

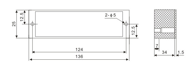
零线一进九出接线盒

当前位置:首页>> 产品中心>> 接线盒系列

  • 产品详情
外形及安装尺寸: